

Foto 1: Kleine, sehr leise ölgeschmierte Drehschieber-Vakuumpumpe: Typ LC.4, erreichbares Vakuum: 2 mbar absolut, Nenn-Saug-Volumenstrom 4 m³/h, elektrische Nenn-Leistung 0,12 kW
Diese ölgeschmierten Vakuumpumpen werden immer dann eingesetzt, wenn feuchte Luft abgesaugt werden soll oder ein besseres Vakuum als bei den ölfreien Vakuumpumpen notwendig ist. Mit diesen Pumpen können Behälter evakuiert werden. Das Vakuumniveau kann anschließend dauerhaft gehalten werden. Ein dauerhafter Betrieb bei nur geringem Unterdruck wird jedoch nicht empfohlen, da der Ölabscheider der Vakuumpumpe nicht für einen dauerhaft großen Luft-Massenstrom ausgelegt ist. Für besonders hohen Wasserdampfanteil in der abgesaugten Luft steht die Baureihe WR zur Verfügung (siehe unten).
Die wesentlichen Anwendungsbereich sind: Vakuumverpackung, Extrusionstechnik, Glas- und Stein-Industrie, Medizintechnik, Metall-Schmelzöfen. Die WR-Reihe wird insbesondere angewendet für: Vakuumtrocknung von nassem Holz, Entgasung bei der Thermoformung, Entgasung von Vergussmassen, Vakuumheben und -festhalten von feuchtem Material (Glas- und Steinindustrie) und der Entgasung von feuchtem Ton.
| Typ | LC.2 |
LC.4 |
LC.8 |
LC.12 |
LC.20 |
| Nenn-Saug-Volumenstrom (m³/h) |
2 |
4 |
8 |
12 |
20 |
| max. Vakuum (mbar abs.) | 10 |
2 |
2 |
2 |
2 |
| Nennleistung, einphasig, 230 V (kW) | 0,12 |
0,12 |
0,25 |
0,45 |
0,75 |
| Nennleistung, dreiphasig, 400 V (kW) | 0,12 |
0,12 |
0,25 |
0,37 |
0,75 |
| Nennleistung, 24 V Gleichstrom (kW) | - |
- |
- |
- |
- |
| Schalldruckpegel in 1 m (dB(A)) | 48 |
48 |
56 |
62 |
64 |
| Betriebstemperatur (°C)* | 50-55 |
50-55 |
75-80 |
60-65 |
60-65 |
| max. Wasserdampfdruck am Eingang (mbar) | - |
- |
- |
35 |
15 |
| max. Wasserdampf-Massenstrom (kg/h) | - |
- |
- |
0,3 |
0,25 |
| zulässiger Druckbereich im Dauerbetrieb (mbar abs.) | 10 - 500 |
- |
- |
2 - 400 |
2 - 400 |
| Drehzahl (1/min) | 2800 |
2800 |
2800 |
2800 |
2800 |
| Eingangs-Anschluss | G1/8 |
G1/8 |
G3/8 |
G½ |
G½ |
| Gewicht mit Motor einphasig 230 V (kg) | 5,4 |
5,4 |
10 |
14 |
19 |
| Gewicht mit Motor dreiphasig 400 V (kg) | 5,4 |
5,4 |
10 |
12,5 |
17 |
| Ölinhalt (Liter) | 0,06 |
0,06 |
0,25 |
0,40-0,45 |
0,45-0,5 |
| Kennlinien-Grafik | |||||
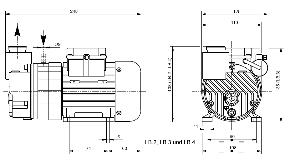
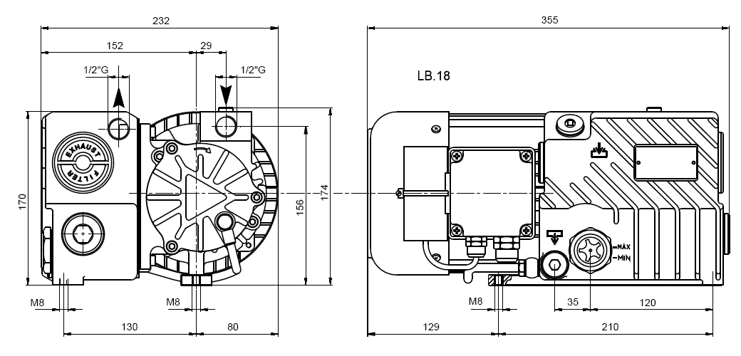
| Maße-Grafik | |||||
| Leerpumpzeit-Grafik | |||||
| Zubehör-Grafik | |||||
| Foto | - |
- |
|||
| Erläuterungstext |
* bei einer Umgebungstemperatur von 20 °C.
Alle aufgeführten
Daten gelten für eine Netzfrequenz von 50 Hz. Motoren für 60 Hz
sind lieferbar. Die Pumpendaten für 60 Hz erhalten Sie gerne auf Anfrage.

Foto 2: Ölgeschmierte Vakuumpumpe LC.106,
Nenn-Saug-Volumenstrom 106 m³/h, Enddruck 0,1 mbar, Nennleistung 2,2 kW

Foto 3 : Geöffnete ölgeschmierte Vakuumpumpe mit Statorgehäuse, exzentrischem Rotor und drei gelben Schiebern aus faserverstärktem Kunststoff (hier alle eingefahren in den Schlitzen des Rotors).
| Typ | LC.25 |
LC.40 |
LC.60 |
LC.106 |
LC.151 |
LC.205 |
LC.305 |
| Nenn-Saug-Volumenstrom (m³/h) |
25 |
40 |
60 |
106 |
151 |
205 |
305 |
| max. Vakuum (mbar abs.) mit Gasballast | 0,5 |
0,5 |
0,5 |
0,5 |
0,5 |
0,5 |
0,5 |
| max. Vakuum (mbar abs.) ohne Gasballast | - |
0,1 |
0,1 |
0,1 |
0,1 |
- |
- |
| Nennleistung, einphasig, 230 V (kW) | 0,75 |
1,1 |
1,5 |
- |
- |
- |
- |
| Nennleistung, dreiphasig, 400 V (kW) | 0,75 |
1,1 |
1,5 |
2,2 |
3,3 |
4 |
5,5 |
| Schalldruckpegel in 1 m (dB(A)) | 62 |
66 |
68 |
66 |
68 |
72 |
74 |
| Betriebstemperatur (°C)* | 80-85 |
70-75 |
75-80 |
75-80 |
75-80 |
70-75 |
75-80 |
| max. Wasserdampfdruck am Eingang (mbar) mit Gasballast | 40 |
30 |
40 |
11 |
11 |
25 |
25 |
| max. Wasserdampf-Massenstrom (kg/h) mit Gasballast | 0,7 |
0,9 |
1,8 |
1 |
1,4 |
3,5 |
5 |
| zulässiger Druckbereich im Dauerbetrieb (mbar abs.) | 0,5-400 |
0,1-400 | 0,1-400 | 0,1-400 | 0,1-400 | 0,5-400 | 0,5-400 |
| Drehzahl (1/min) | 1400 |
1400 |
1400 |
1400 |
1400 |
1400 |
1400 |
| Eingangs-Anschluss | G ½ |
G 1 |
G 1½ |
G 1½ |
G 1½ |
G 2 |
G 2 |
| Gewicht mit Motor einphasig 230 V (kg) | 26 |
48 |
49 |
- |
- |
- |
- |
| Gewicht mit Motor dreiphasig 400 V (kg) | 25 |
42 |
43 |
71 |
80 |
154 |
164 |
| Ölinhalt (Liter) | 0,7-1 |
1-1,5 |
1-1,5 |
2-3 |
2-3 |
4-5 |
4-5 |
| Kennlinien-Grafik | |||||||
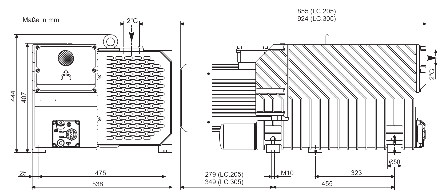
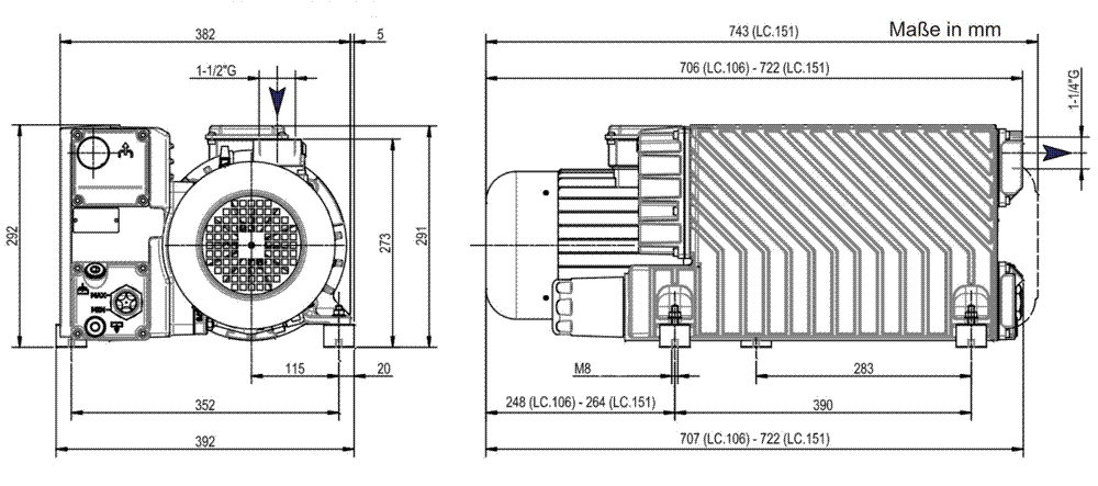
| Maße-Grafik | |||||||
| Leerpumpzeit-Grafik | |||||||
| Zubehör-Grafik | |||||||
| Foto | - |
- |
|||||
| Erläuterungstext |

Foto 4: Mittelgroße ölgeschmierte Drehschieber-Vakuumpumpe in WR-Version für erhöhten Wasserdampf-Gehalt in der abgesaugten Luft: Typ LC.40WR, erreichbares Vakuum: 4 mbar absolut, Nenn-Saug-Volumenstrom 40 m³/h, elektrische Nenn-Leistung 1,1 kW
Besonderheiten:
- mit einer Einrichtung zur Trennung von Öl und Kondenswassser,
- bei
stehender Pumpe kann das Kondenswasser über einen Kugelhahn abgelassen werden,
- die Gasballast-Einrichtung ist immer eingeschaltet,
- mit großem Schauglas zur Kontrolle des Öl- und Wasserzustands,
- mit eingebautem Niveauschalter zur kundenseitigen Auswertung des maximalen
Öl- und Wasserstands.
| Typ | LC.12WR | LC.25WR |
LC.40WR |
LC.60WR |
LC.106WR |
| Nenn-Saug-Volumenstrom (m³/h) |
12 |
25 |
40 |
60 |
105 |
| max. Vakuum (mbar abs.) | 50 |
2 |
4 |
4 |
4 |
| Nennleistung, einphasig, 230 V (kW) | 0,45 |
0,75 |
- |
- |
- |
| Nennleistung, dreiphasig, 400 V (kW) | 0,37 |
0,75 |
1,1 |
1,5 |
2,2 |
| Schalldruckpegel in 1 m (dB(A)) | 62 |
62 |
64 |
66 |
66 |
| Betriebstemperatur (°C)* | 60-65 |
80-85 |
75-80 |
80-85 |
80-85 |
| max. Wasserdampfdruck am Eingang (mbar) | 50 |
40 |
50 |
40 |
|
| max. Wasserdampf-Massenstrom (kg/h) | 0,3 |
0,9 |
1,3 |
2,4 |
3,2 |
| zulässiger Druckbereich im Dauerbetrieb (mbar abs.) | 50-400 |
2-400 |
4-400 |
4-400 |
4-400 |
| Eingangs-Anschluss | G ¼ |
G ½ |
G 1½ |
G 1½ |
G 1½ |
| Gewicht mit Wechselstrom-Motor 230 V (kg) | 17,5 |
26,5 |
- |
- |
- |
| Gewicht mit Drehstrom-Motor 400 V (kg) | 15 |
25,5 |
42 |
44 |
71 |
| Ölinhalt (Liter) | 0,3-0,4 |
0,8-1,1 |
1,1-1,7 |
1,1-1,7 |
2-3 |
| Kennlinien-Grafik | |||||
| Leerpumpzeit-Grafik | |||||
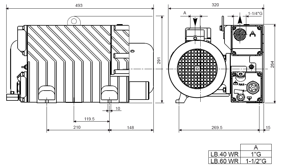
| Maße-Grafik | |||||
| Zubehör-Grafik | Zub. |
Zub. |
Zub. |
Zub. |
|
| Foto | - |
||||
| Erläuterungstext |

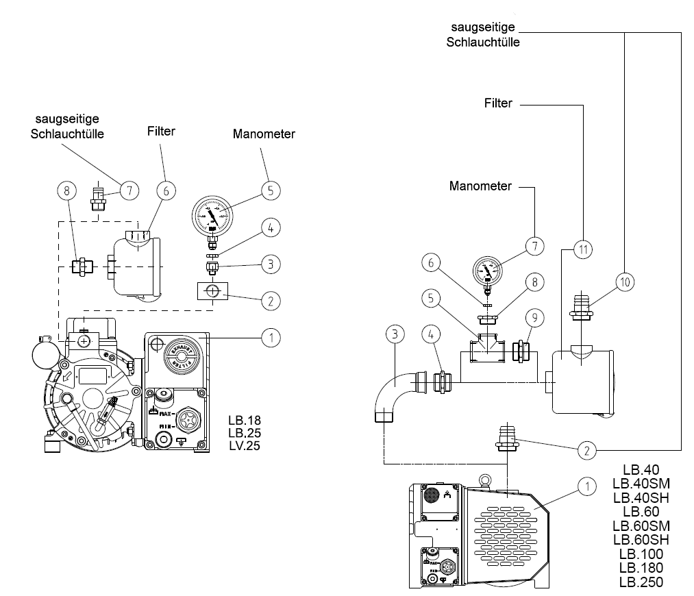
Foto 5: Vakuumpumpe LC.25WR für erhöhten Wasseranteil in der ansaugten Luft, mit Zubehör. 1: Deckel zum Abluftfilter, 2: Öl-Einfüllschraube, 3: Ölstand-Schauglas, 4: Öl-Ablasshahn. Diese Pumpe hat einen Drehstrommotor (400 V), es gibt sie aber auch mit Wechselstrommotor (230 V). Der Kondensat-Abscheidefilter entfernt Schmutz und Feuchtigkeit aus der angesaugten Luft. Er hat eine Klarsichtglocke, so dass man erkennt, wenn Wasser unten abgelassen oder der Filtereinsatz wegen Verschmutzung getauscht werden muss. Über den Gasballast-Ansaugfilter strömt immer ein wenig Umgebungsluft in den Verdichterraum und verhindert weitgehend die Kondensation von Wasserdampf in der Ölfüllung.
Das Betriebsprinzip der ölgeschmierten Vakuumpumpen ist dem der
ölfreien Vakuumpumpen
ähnlich. Dieser Pumpentyp ist jedoch mit einer Ölschmierung ausgestattet,
die ein Schmieren der sich in Bewegung befindlichen Teile und das Erreichen
niedriger absoluter Drücke ermöglicht. Das ölige Schmiermittel
macht allerdings auch ein Filtrieren der Luft am Auslass erforderlich, so
dass das Öl zurückgewonnen und die Luft erst dann in die Atmosphäre
abgelassen wird, wenn die Luft sauber ist. Die Größe der am Auslass
verwendeten Filter bestimmt den Druckbereich, in denen diese Pumpen im Dauerbetrieb
eingesetzt werden können.

Abb. 1: Prinzip einer ölgeschmierten Drehschieber-Vakuumpumpe
Das Vorhandensein einer Schmierung ermöglicht es diesen Pumpen kleine Mengen an Wasserdampf anzusaugen. Um zu verhindern, dass der Wasserdampf kondensiert, wurde die Pumpe mit der sogenannten "Gasballast-Einrichtung” versehen. Diese Gasballast-Einrichtung führt in der Verdichtungsphase eine geringe Menge Umgebungsluft zu, wodurch sich der Sättigungsdruck des Dampfes ändert und ein Kondensieren verhindert wird.
Schließlich müssen die ölgeschmierten Vakuumpumpen in der Saugleitung mit einem Rückschlagventil ausgestattet werden, das verhindert, dass das Öl in das Anwendersystem fließt, wenn die Pumpe bei einem sich im Vakuum befindlichen Anwendersystem stehen bleibt.
Die größeren Pumpen ab der Version LC.25 sind mit einem Öl-Rückgewinnungssystem
ausgestattet. Es ist hinter dem Reinigungsfilter angeordnet und ermöglicht
einen breiteren Einsatzbereich. Die wichtigsten Anwendungen sind:
(1) Vakuumverpackung von Lebensmitteln,
(2) Entgasung von Teigwaren und Ton,
(3) Maschinen für die Bearbeitung von Glas, Stein und Holz und
(4) Medizintechnik.
Die Pumpen in der WR-Version stellen eine Weiterentwicklung der ölgeschmierten
Standardpumpen dar und verfügen über eine Vorrichtung, welche in
der Lage ist, das Kondenswasser vom Öl zu trennen. Das Wasser kann bei
stillstehender Pumpe abgelassen werden. Die wesentlichen Eigenschaften dieser
Baureihe sind:
(1) die Gasballast-Einrichtung ist immer zugeschaltet,
(2) sie haben ein zusätzliches großes Schauglas für die
einfache Kontrolle der Wassermenge unter dem
Öl und des Ölzustands,
(3) sie haben einen Ablasshahn für Öl oder Wasser
und
(4) sie verfügen über eine Maximum-Pegelschalter für den Ölstand für die
kundenseitige Auswertung.

Foto 6: Vakuumpumpe Typ LC.25 WR mit großem Schauglas.
Gasballast ist die Fachbezeichnung für Umgebungsluft, die über eine kleine Bohrung in der Vakuumpumpe mit eingesaugt wird. Man braucht die Gasballast-Einrichtung, wenn man feuchte Luft absaugen will. Durch den Gasballast wird verhindert, dass sich Wassertropfen im Öl der Pumpe bilden.

Abb. 2: Schematische Darstellung der Funktion der Gasballast-Einrichtung
In der Phase 1 (Abb. 2) beginnt die Pumpe mit der Ansaugung eines Luft-Wasserdampf-Gemisches. Während der Phase 2 ist das angesaugte Volumen vom Saug- und Auslasskanal isoliert. In dieser Phase strömt etwas Umgebungsluft über die Gasballastbohrung in die Pumpe, so dass der Sättigungsdruck der Gasmischung verändert wird. Schließlich wird in Phase 3 die mit Umgebungsluft angereicherte Mischung ausgestoßen. Da jedoch der Sättigungsdruck geändert wurde, werden sich in diesem Fall keine Kondenswasser-Tropfen bilden und der mit angesaugte Wasserdampf kann aus der Pumpe ausgestoßen werden, ohne dass dabei der Pumpenbetrieb gestört wird.
Zwei Faktoren sind also von wesentlicher Bedeutung für die gute Funktion: Die Temperatur des angesaugten Luft-Wasserdampf-Gemisches und die Temperatur der Pumpe. Bevor man mit kondensierbaren Gasen zu arbeiten beginnt, muss die Pumpe warmlaufen und die Temperatur des angesaugten Luft-Wasserdampf-Gemisches muss möglichst niedrig sein.
Nachteil der Gasballast-Einrichtung: Der erreichbare Enddruck (mbar absolut) der Pumpe wird erhöht. Die Pumpe verbraucht mehr Energie, da die Gasballast-Luft verdichtet werden muss.
Manche Pumpen haben keine Gasballast-Einrichtung, bei anderen ist sie ständig eingeschaltet, bei wieder anderen kann sie über das Gasballast-Ventil (z.B. ein schwarzer Drehknopf) ein- und ausschalten.
Die Gasballast-Einrichtung wurde 1935 von dem deutschen Physiker Wolfgang Gaede erfunden.
Die notwendige Motorleistung für ölgedichtete und ölgeschmierte Vakuumpumpen wird von den Reibungsverlusten der kalten Ölfüllung dominiert. Kaltes Öl ist sehr zähflüssig. Der Elektromotor muss beim Betriebsbeginn mit kalten Öl sehr viel Leistung abgeben. Wenn das Öl später warm ist, muss der Motor nur noch einen kleinen Teil seiner Nennleistung aufbringen. Damit die Motoren nicht zu groß werden, darf die Öltemperatur bei Betriebsbeginn 12 °C nicht unterschreiten. Soll die Vakuumpumpe in kalter Umgebung gestartet werden, muss das Öl zuvor erwärmt werden. Die GUT mbH bietet geeignete elektrische Heizungen an.
Eine ölgeschmierte Vakuumpumpe sollte man vor Betriebsbeginn eine halbe Stunde lang bei verschlossenem Eingang warm laufen lassen, damit nur wenig von dem angesaugten Wasserdampf aus der Luft im kalten Öl kondensieren kann. Nach Betriebsende sollte man die Pumpe wieder eine halbe Stunde lang bei verschlossenem Eingang laufen lassen, damit im Öl vorhandenes Wasser verdampfen kann. Wenn Sie dies befolgen, werden Sie sich viele Jahre über Ihre Vakuumpumpe freuen können.
Wenn hier davon gesprochen wird, dass eine ölgeschmierte Vakuumpumpe für den Dauerbetrieb geeignet ist, so muss das eingeschränkt werden. In der Regel muss nach einigen Stunden Dauertrieb die ölgeschmierte Vakuumpumpe einige Minuten lang abgeschaltet werden, damit die Ölabscheidung aus der Pumpen-Abluft weiterhin richtig funktioniert. Wird das nicht befolgt, wird am Ausgang Öl ausgetragen und die Vakuumpumpe kann nach einiger Zeit trockenlaufen und zerstört werden. Für viele Pumpentypen ist eine Öl-Füllstands-Überwachung verfügbar.
Um eine ölgeschmierte Vakuumpumpe in optimalem Zustand zu halten, ist eine regelmäßige Wartung notwendig. Bei normalen Betriebsbedingungen empfehlen wir in der Regel folgende Wartungsintervalle:
Ölstandkontrolle: alle 24 Betriebsstunden
Ölwechsel: alle 500 Betriebsstunden
Kontrolle und Reinigung des Motor-Ventilator-Gitters und
der ganzen Pumpe: alle 1.000 Betriebsstunden
Austausch des Ölabscheiderfilters: alle 2.000 Betriebsstunden
Austausch der Schieber: alle 10.000 Betriebsstunden
Alle Wartungsarbeiten kann der Benutzer in der Regel selbst ausführen.
Bei besonderen Betriebsbedingungen (z.B. bei schmutziger Umgebung, hoher Temperatur oder erhöhtem Wasserdampf in der abgesaugten Luft) müssen die Wartungsarbeiten häufiger ausgeführt werden.